
產品詳情
RCT(RCTG)系列永磁滾筒亦稱磁滑輪或干式大塊磁選機。其內部采用高性能硬磁材料組成符合磁系,具有磁場強度高、深度大、結構簡單、使用方便、不需維修、不消耗電力、常年使用不退磁等特點。可用于水泥、磁選、礦山、鋼鐵、化工、耐火材料、垃圾處理等行業的選鐵。與DT-75型、AD-80型通用固定式皮帶輸送機配套使用代替主動輪或從動輪,也可與專用皮帶輸送機配套使用,特別適用于鋼渣、礦渣、水渣的連續自動除鐵。
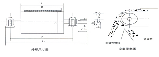
主要技術參數:
| 型號/參數/項目 | 距筒表磁場強度Gs | 皮帶轉速≤m/s | 物料厚度≤mm | 適應帶寬mm | 外形尺寸mm | ||||||||
| A | B | Dφ | L | L1 | K | d | h | b | |||||
| RCT-32/40 | 1500 | 2.5 | 60 | 400 | 728 | 400 | 320 | 500 | 930 | 100 | 50 | 48.5 | 12 |
| RCT-32/50 | 1500 | 60 | 500 | 850 | 500 | 320 | 600 | 1030 | 100 | 50 | 53.5 | 12 | |
| RCT-32/65 | 1500 | 60 | 650 | 910 | 650 | 320 | 750 | 1230 | 115 | 50 | 53.5 | 12 | |
| RCT-32/50 | 1550 | 80 | 500 | 850 | 500 | 400 | 600 | 1030 | 100 | 50 | 60 | 14 | |
| RCT-32/65 | 1550 | 80 | 650 | 1000 | 650 | 400 | 750 | 1230 | 115 | 50 | 60 | 14 | |
| RCT-32/50 | 1600 | 100 | 500 | 850 | 500 | 500 | 600 | 1030 | 115 | 55 | 60 | 14 | |
| RCT-32/65 | 1600 | 130 | 650 | 1000 | 650 | 500 | 750 | 1230 | 1165 | 55 | 60 | 14 | |
| RCT-32/80 | 1600 | 130 | 800 | 1300 | 800 | 500 | 950 | 1500 | 135 | 55 | 60 | 14 | |
| RCT-32/65 | 1650 | 150 | 650 | 1000 | 650 | 630 | 750 | 1250 | 135 | 70 | 76 | 16 | |
| RCT-32/80 | 1800 | 150 | 800 | 1300 | 800 | 630 | 950 | 1600 | 150 | 70 | 76 | 16 | |
| RCT-32/100 | 1800 | 150 | 1000 | 1500 | 1000 | 630 | 1150 | 1861 | 175 | 70 | 76 | 16 | |
| RCT-32/100 | 1800 | 180 | 1000 | 1500 | 1000 | 800 | 1150 | 1954 | 215 | 70 | 76 | 20 | |
| RCT-32/120 | 1800 | 200 | 1200 | 1750 | 1200 | 1000 | 1400 | 2170 | 235 | 90 | 97 | 20 | |